Przejdź do głównej treści
Salon łazienek Łódź
Zamknij wyszukiwarkę Wyczyść Szukaj
Produkty w koszyku: 0. Zobacz szczegóły

Twój koszyk jest pusty

Producent: Roca (przejdź do strony: http://www.budohurt.com/pl/producer/Roca/15/1/default/4)

Roca MAGMA brodzik prostokątny Stonex® 110x80. Onyks. APE0144C32003640

Cena 1 200,00 zł
szt.
Dostępność:
Na zamówienie - ilość 1 - 10
Czas wysyłki: Realizacja 3-8 dni roboczych

Magma

REF: APE0144C32003640

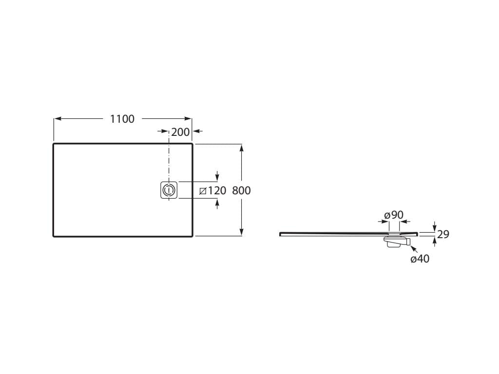
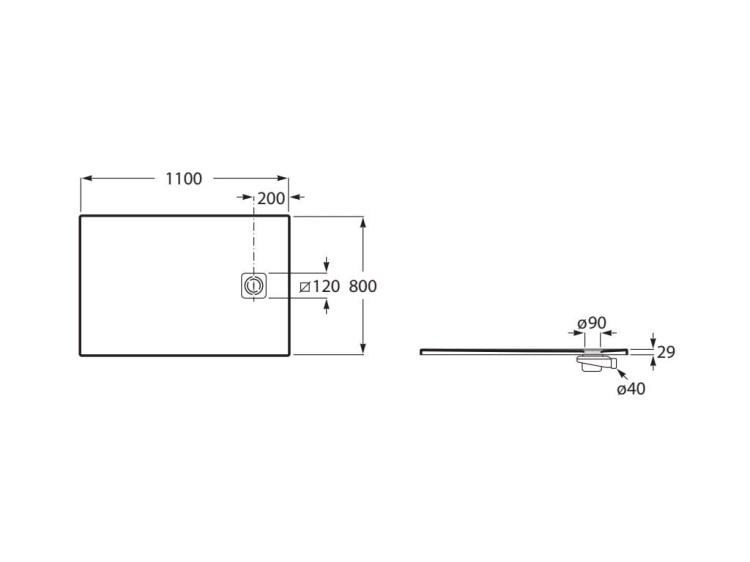
Brodzik kompozytowy 110 x 80 cm STONEX®

 
1100 x 800 x 28 mm
(długość, szerokość, wysokość)
 
64 - Onyks
 

MAGMA z niskim syfonem (6cm) to brodzik z materiału STONEX®, który ma strukturę ziarna z najwyższą klasą antypoślizgowości C - przetestowany według niemieckiej normy DIN 51097. MAGMA to niebywale higieniczny brodzik o właściwościach grzybo i pleśnioodpornych spełniając certyfikat ISO 846, za sprawą niskiej porowatości bakterie nie mają punktu zaczepienia przez co sam brodzik jest prosty w utrzymaniu czystości i nie wymaga specjalistycznych środków - do okazjonalnego czyszczenia potrzebujemy jedynie miękkiej ściereczki oraz łagodnego detergentu na bazie mydła. Materiał STONEX®ma także inne zalety: brodzik przyjmuje temperaturę otoczenia, przez co jest naturalnie ciepły i przyjemny w codziennym użytkowaniu; pochłania dźwięk spadającej wody; odpływ położony blisko krótszego boku; osłona odpływu w kolorze brodzika.

Kształt: Prostokątny

Materiał: KOMPOZYT - STONEX®

Możliwość docięcia

Rodzaj dna antypoślizgowego: Zintegrowane

Sposób docinania: w zakresie własnym

Sposób montażu: Jednolicie z podłogą, Na podwyższeniu, Na posadzce

Sposób montażu: Do posadzki, W rogu przy ścianie, Wbudowany we wnękę

Zawiera syfon

Średnica odpływu (mm): 90

Dno antypoślizgowe

 

Brodzik o strukturze ziarna z niskim syfonem (6cm) w zestawie. Materiał STONEX®, z najwyższą klasą antypoślizgowości C (DIN 51097). MAGMA to niebywale higieniczny brodzik o właściwościach grzybo i pleśnioodpornych spełniając certyfikat ISO 846, za sprawą niskiej porowatości bakterie nie mają punktu zaczepienia przez co sam brodzik jest prosty w utrzymaniu czystości i nie wymaga specjalistycznych środków. Brodzik przyjmuje temperaturę otoczenia, przez co jest naturalnie ciepły i przyjemny w codziennym użytkowaniu. Osłona wykonana w kolorze brodzika.

Producent

Producent

Roca Polska Sp. z o.o.

ul. Wyczółkowskiego 20

44-109 Gliwice, Polska

(48) 32 339 41 00 biuro@roca.pl